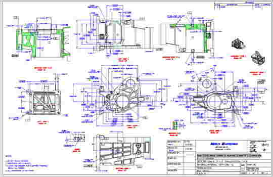
Casting prints can include or exclude any amout of detail required. These can include detailed information for machining setups. Merlin engineers have extensive experience with castings.
 
Back to prints

Home | Contact Us | Legal
Copyright ©2010 Merlin Engineering All Rights Reserved